
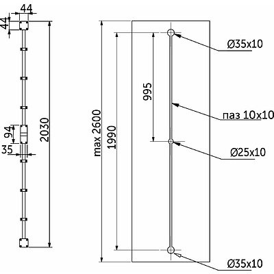
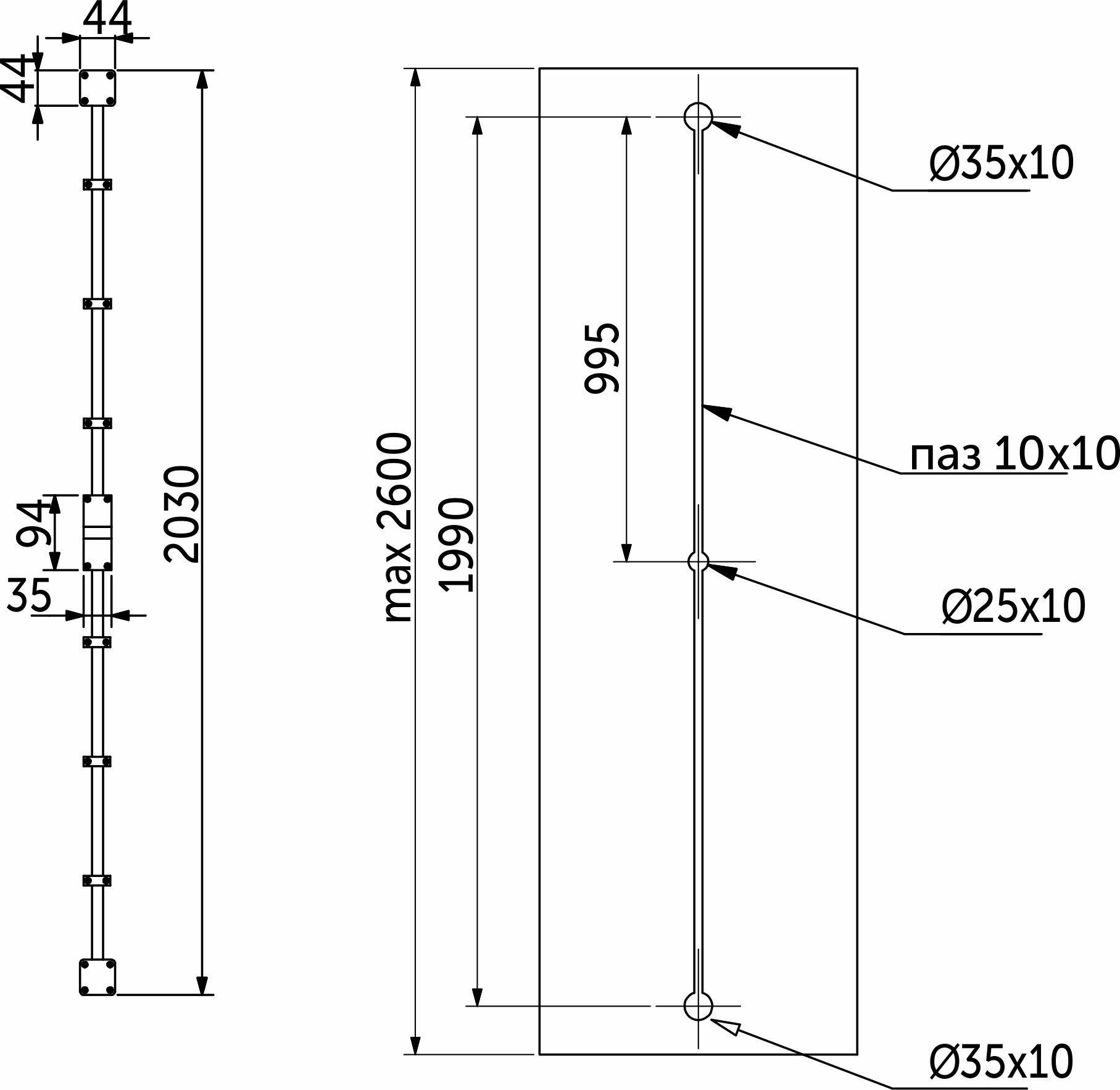
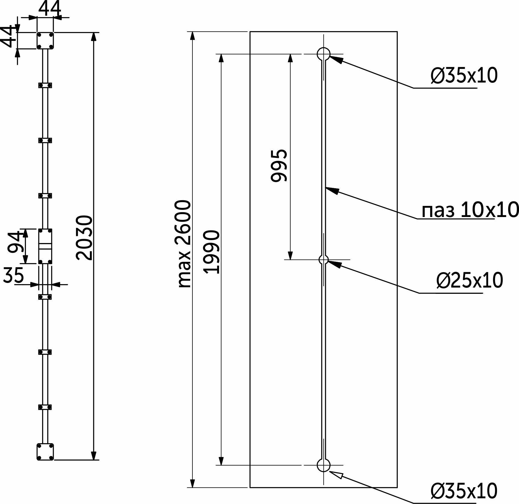
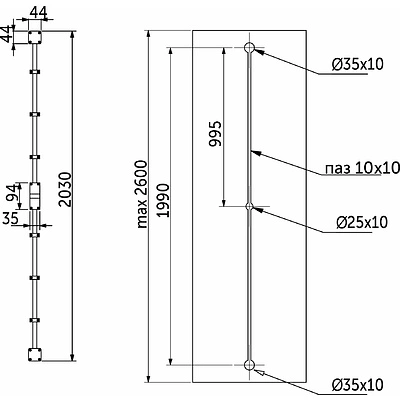
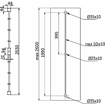
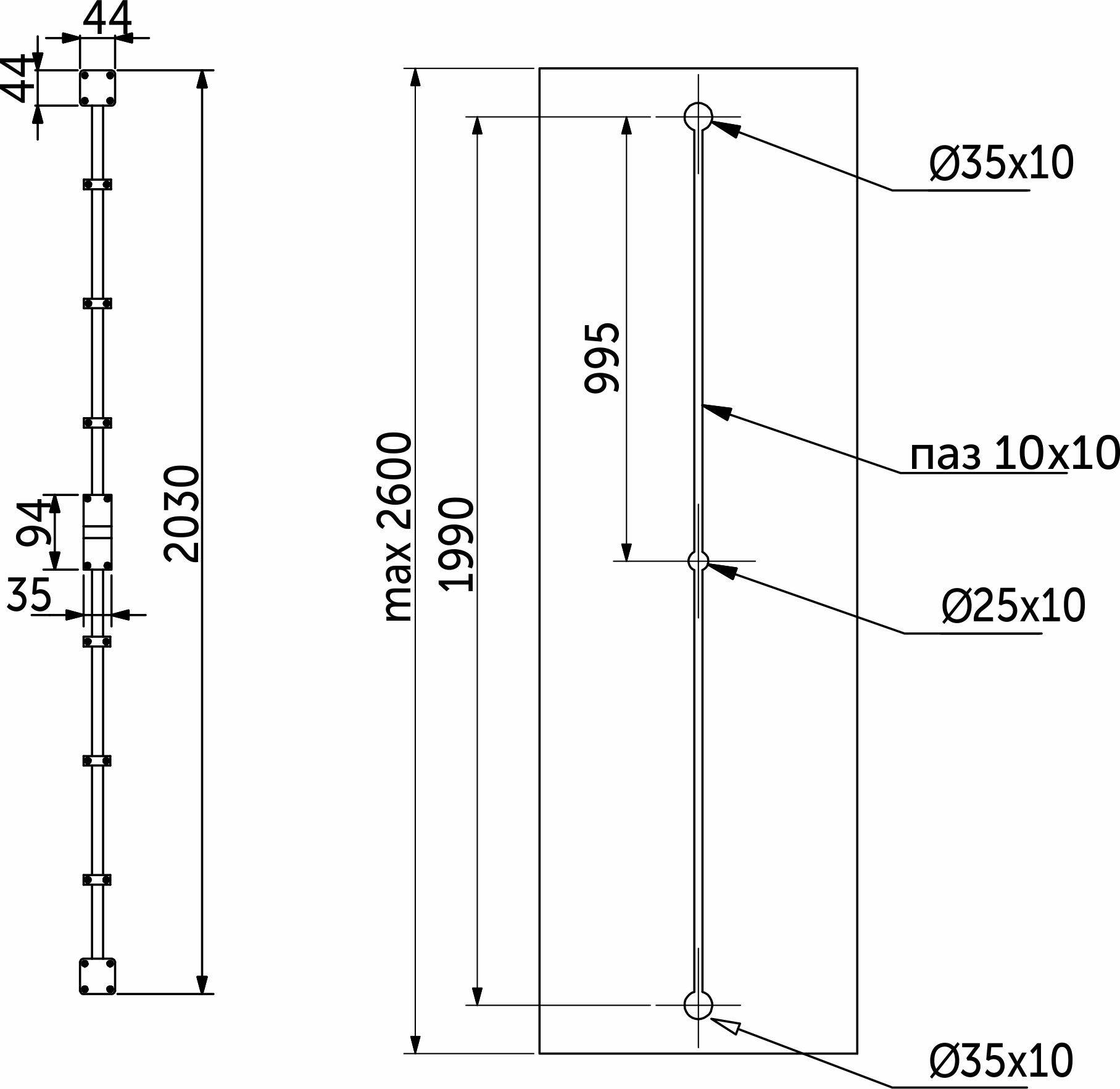
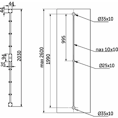
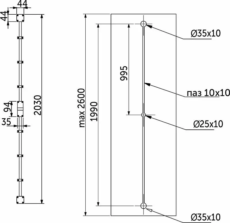
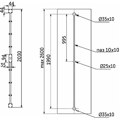
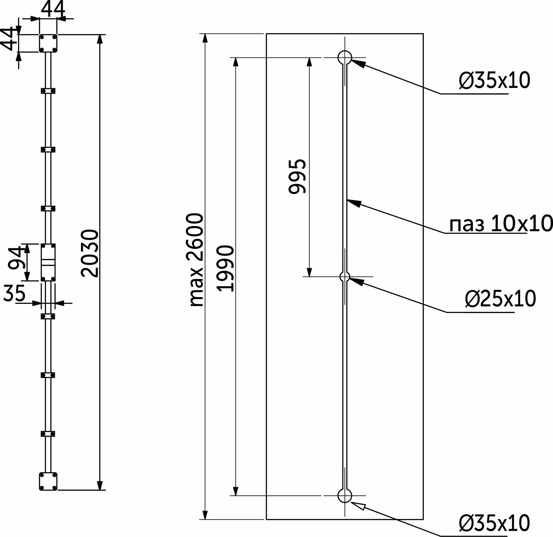
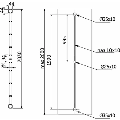
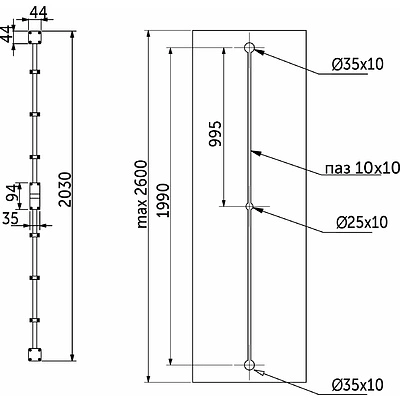
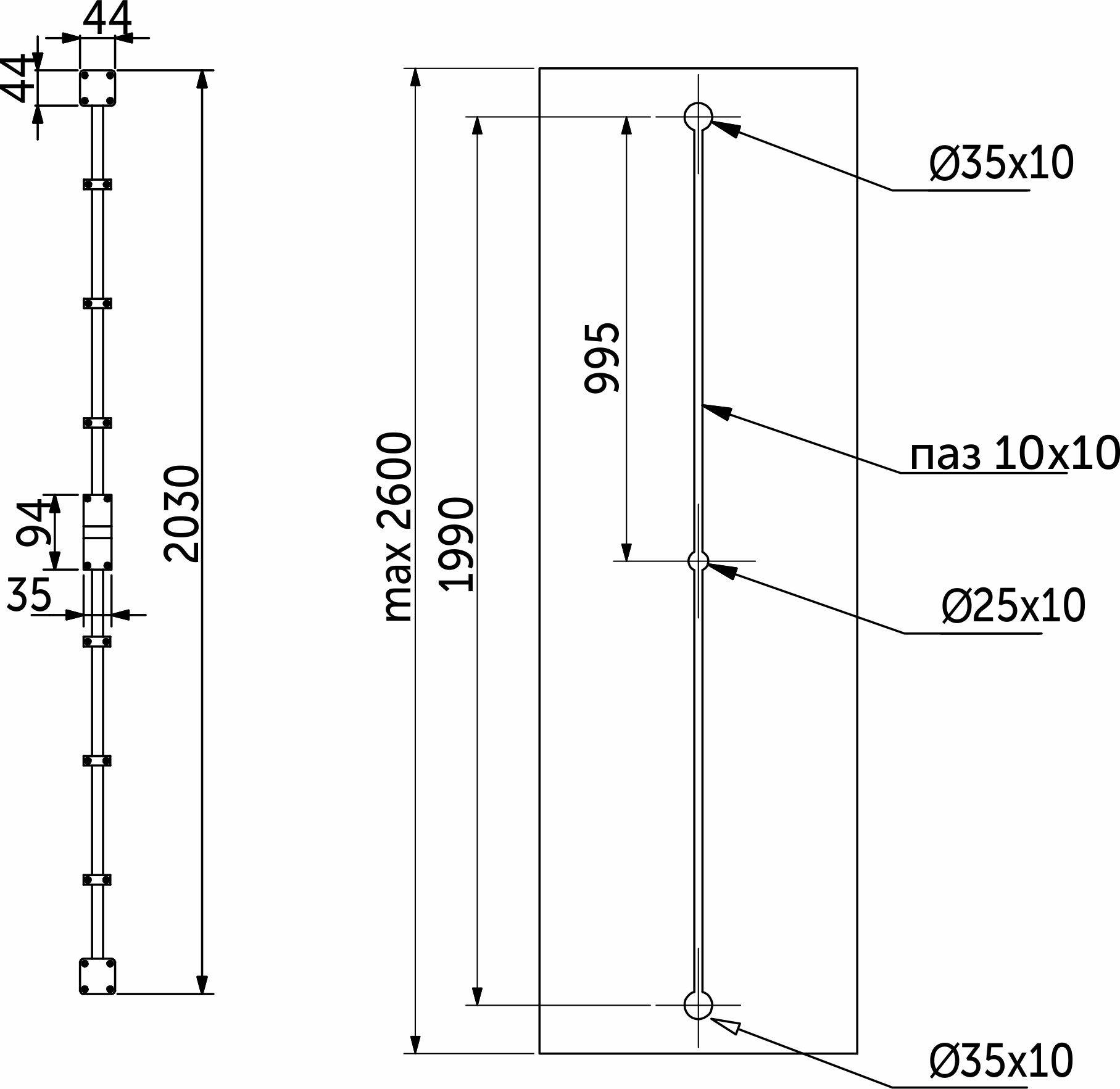
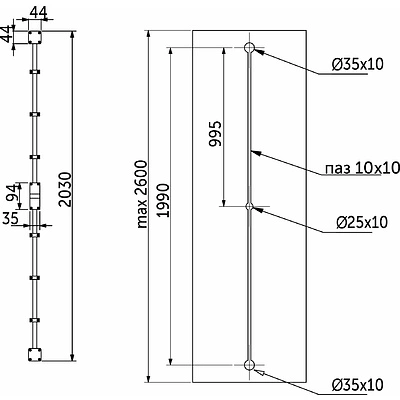
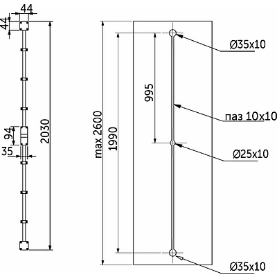
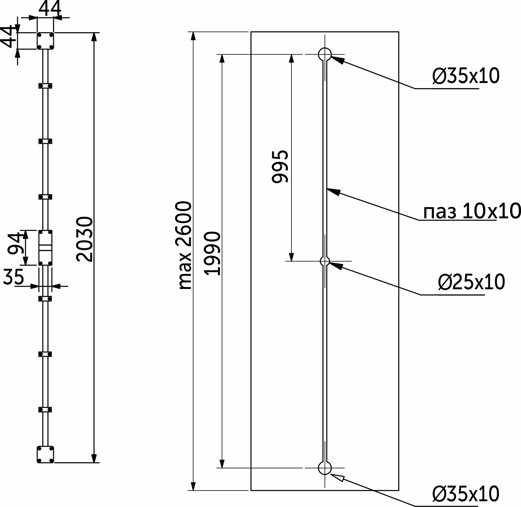
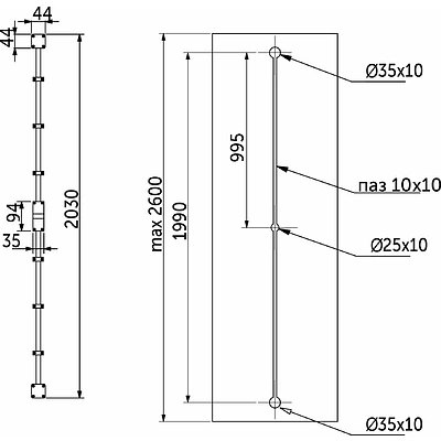
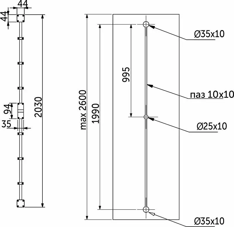
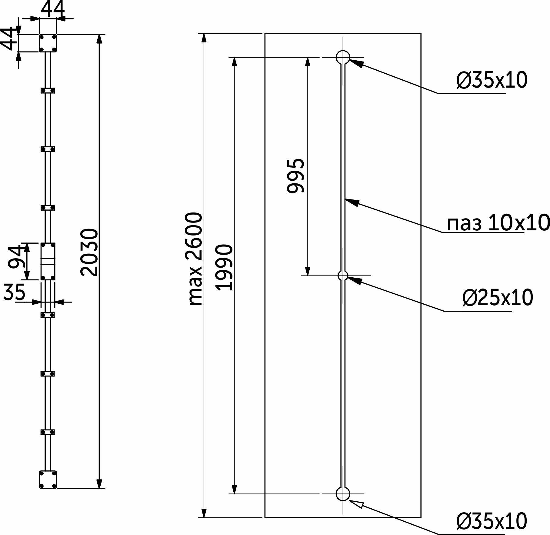
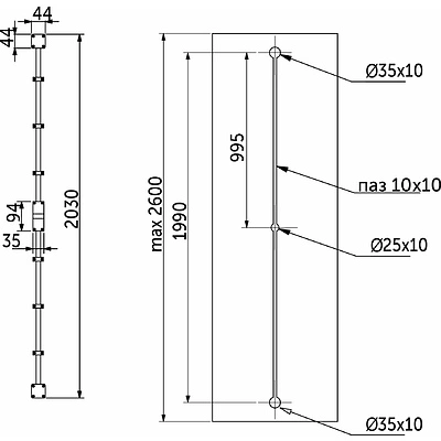
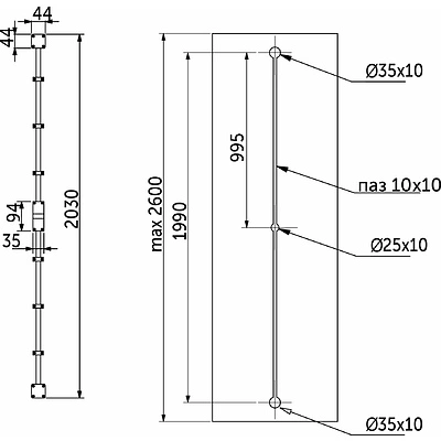
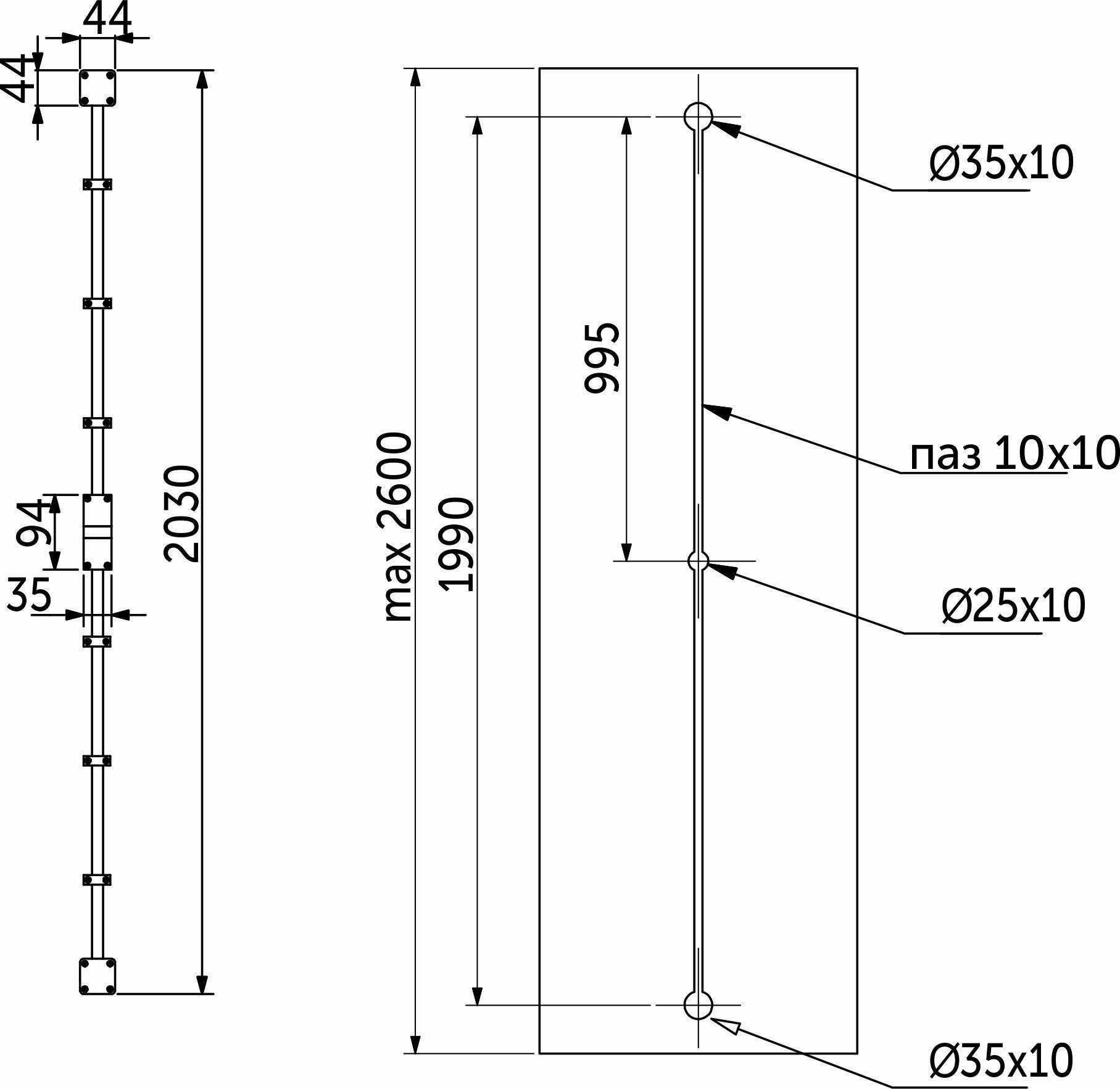
Выравнивает двери толщиной от 16 мм и высотой до 2 600 мм. Простая установка в профрезерованный паз шириной 10 мм, глубиной 10 мм - две штанги, с правой и левой резьбой, вкручиваются в гильзу с внутренней резьбой. Каждая штанга закрепляется с помощью корпуса в отверстиях 35 мм, глубиной 10 мм. Вращая гильзу, можно растягивать или сжимать дверную панель. Защитные накладки предотвращают повреждения содержимого шкафа. При ширине двери более 600 мм рекомендуется установка 2-х выпрямителей.