
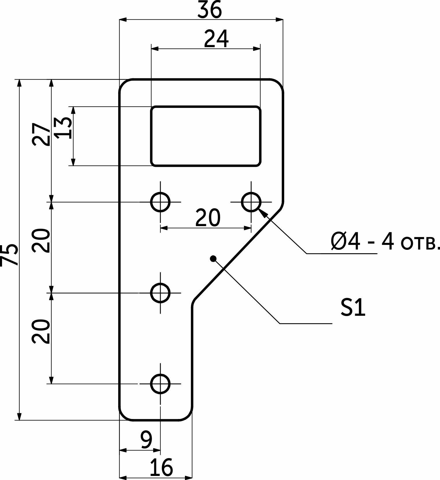
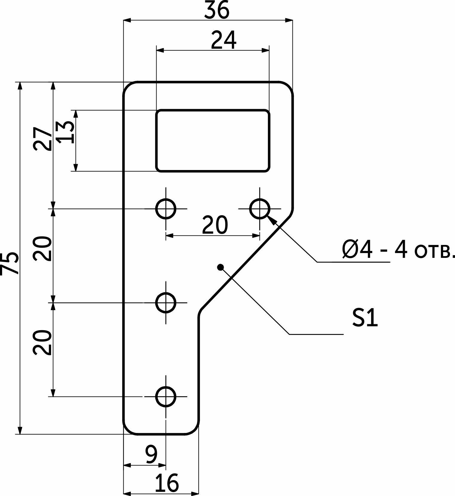
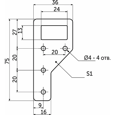
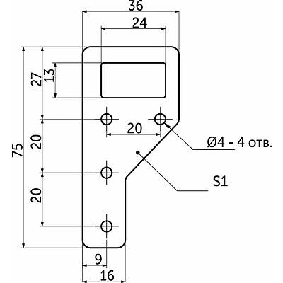
Подвес (ухо) применяется для монтажа ящиков верхнего яруса к стене. Применяется, как правило, с дюбелями с прямым крюком различных размеров. Толщина подвеса от 1,0 до 1,2 мм. В некоторых моделях в центральном навесном отверстии есть зазубрины для предотвращения смещения ящика по горизонтали. Длина изделия 75 мм, ширина 36 мм.