
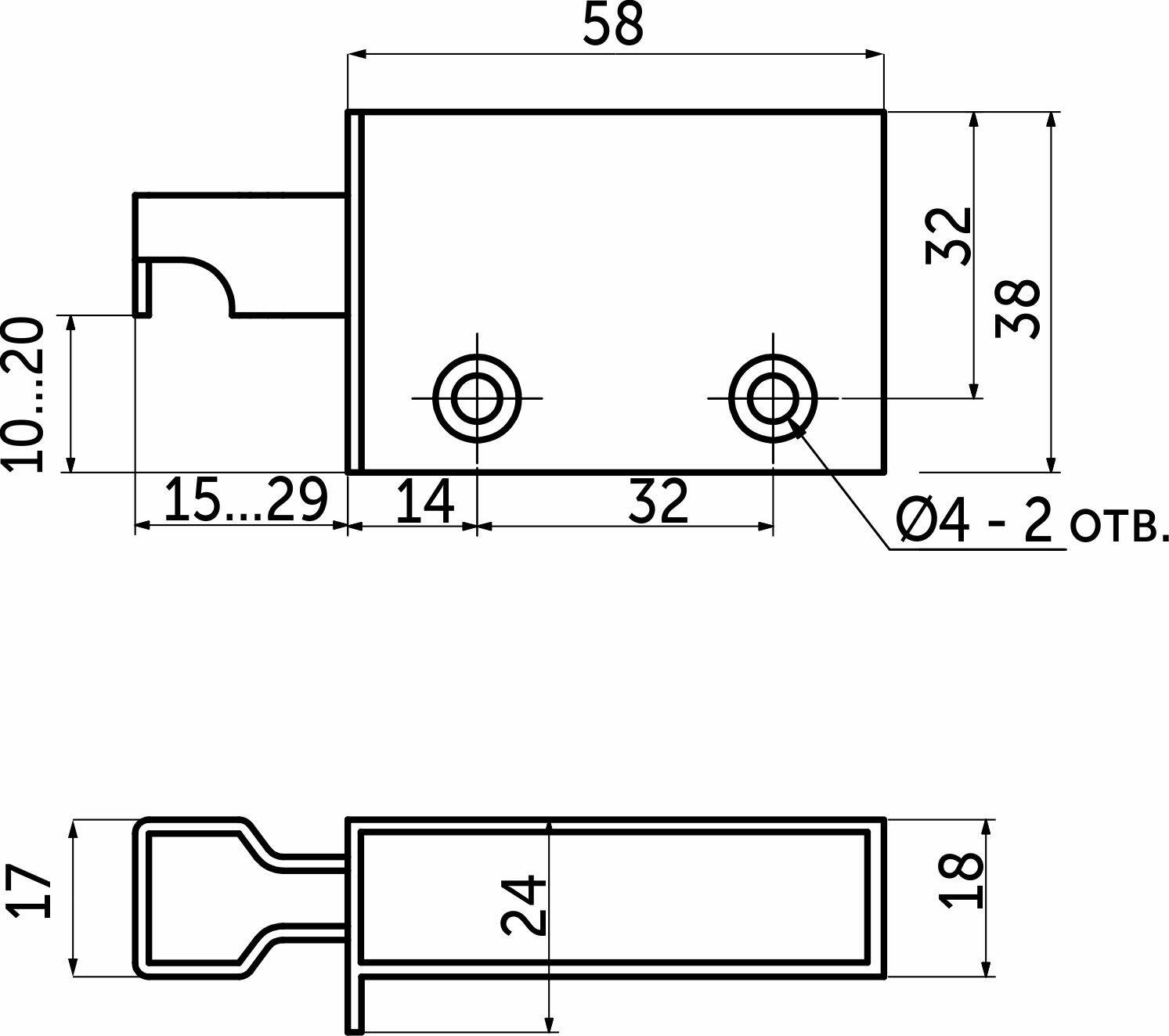
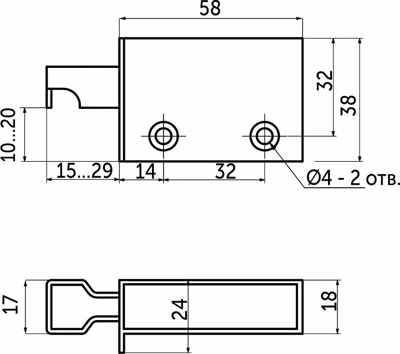
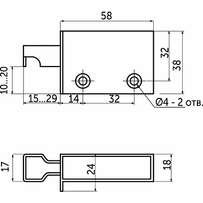
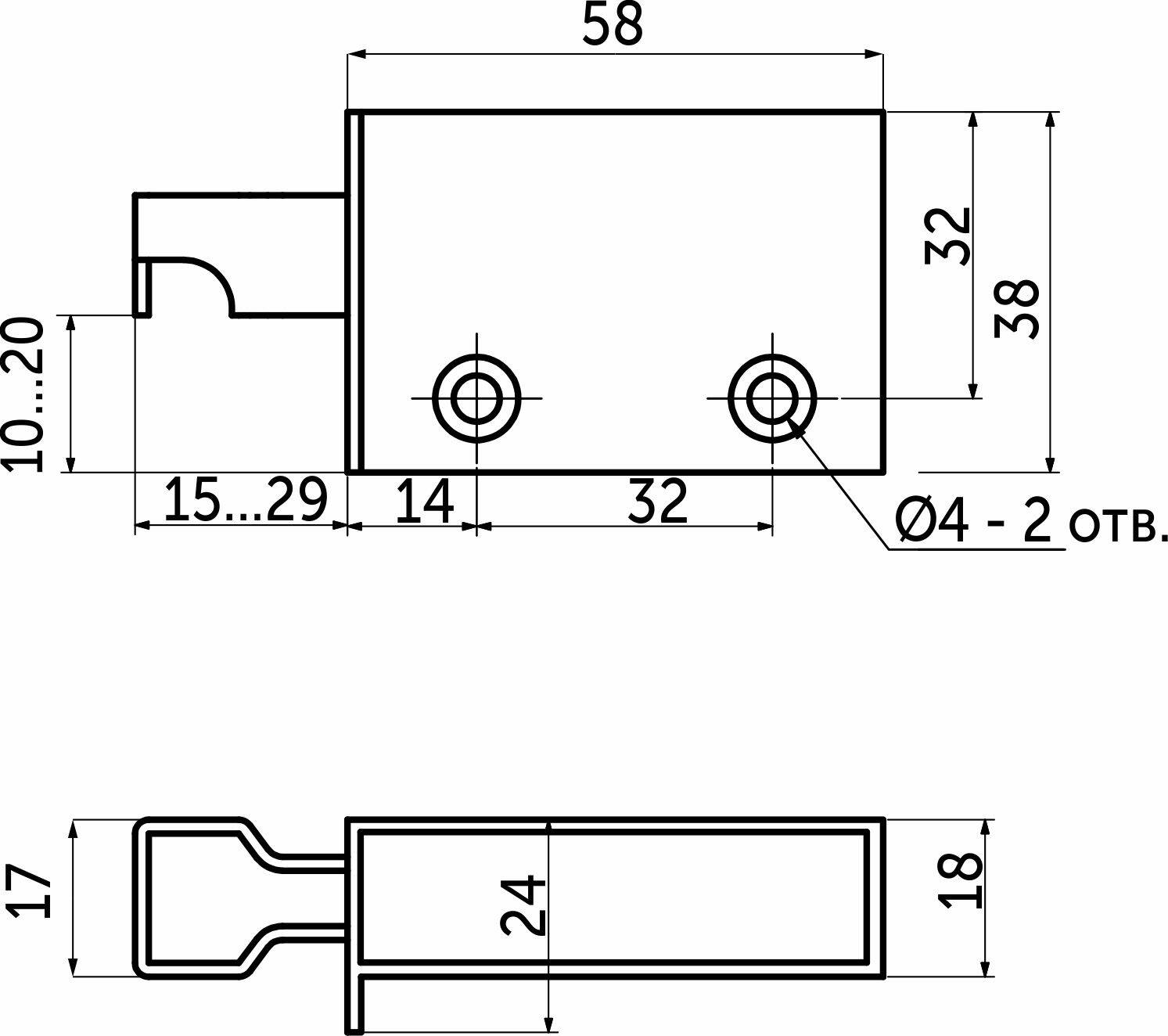
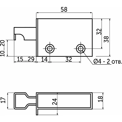
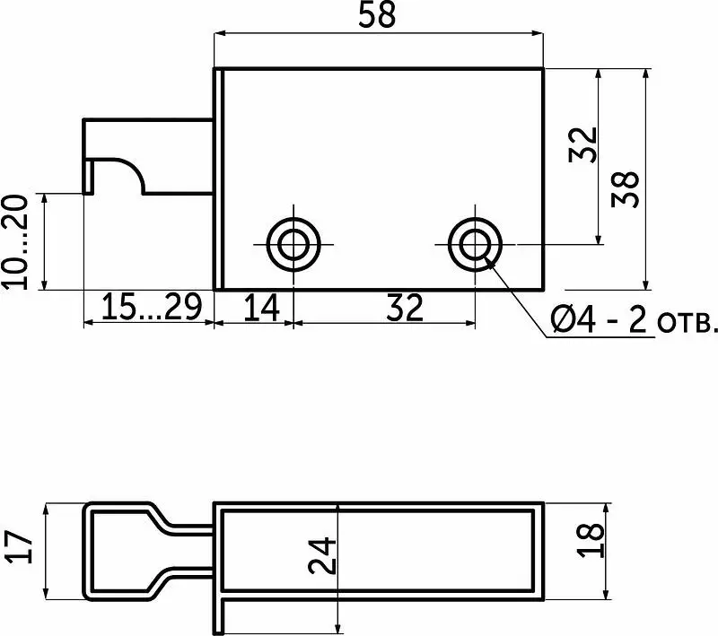
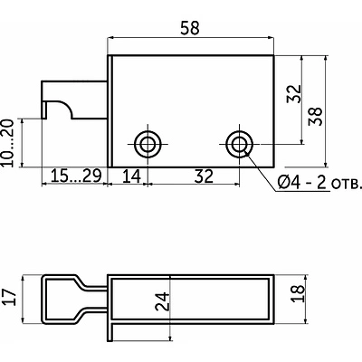
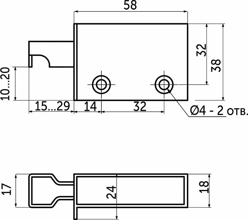
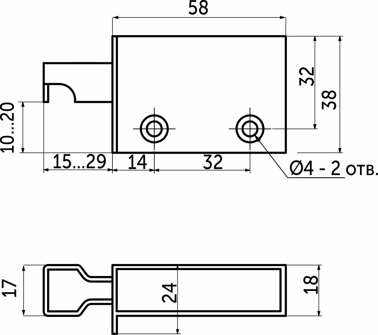
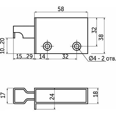
Навес кухонный регулируемый FGV предназначен для установки верхних кухонных корпусов (используется с монтажной планкой). Имеет регулировку по высоте и глубине. Крепление - под саморез. Материал: сталь + пластик. Может быть в различных цветовых исполнениях Нагрузка на пару - 130 кг. В зависимости от стороны, с которой происходит монтаж, выделяют левые и правые навесы (для крепления одного ящика нужен 1 левый и 1 правый навес FGV).