







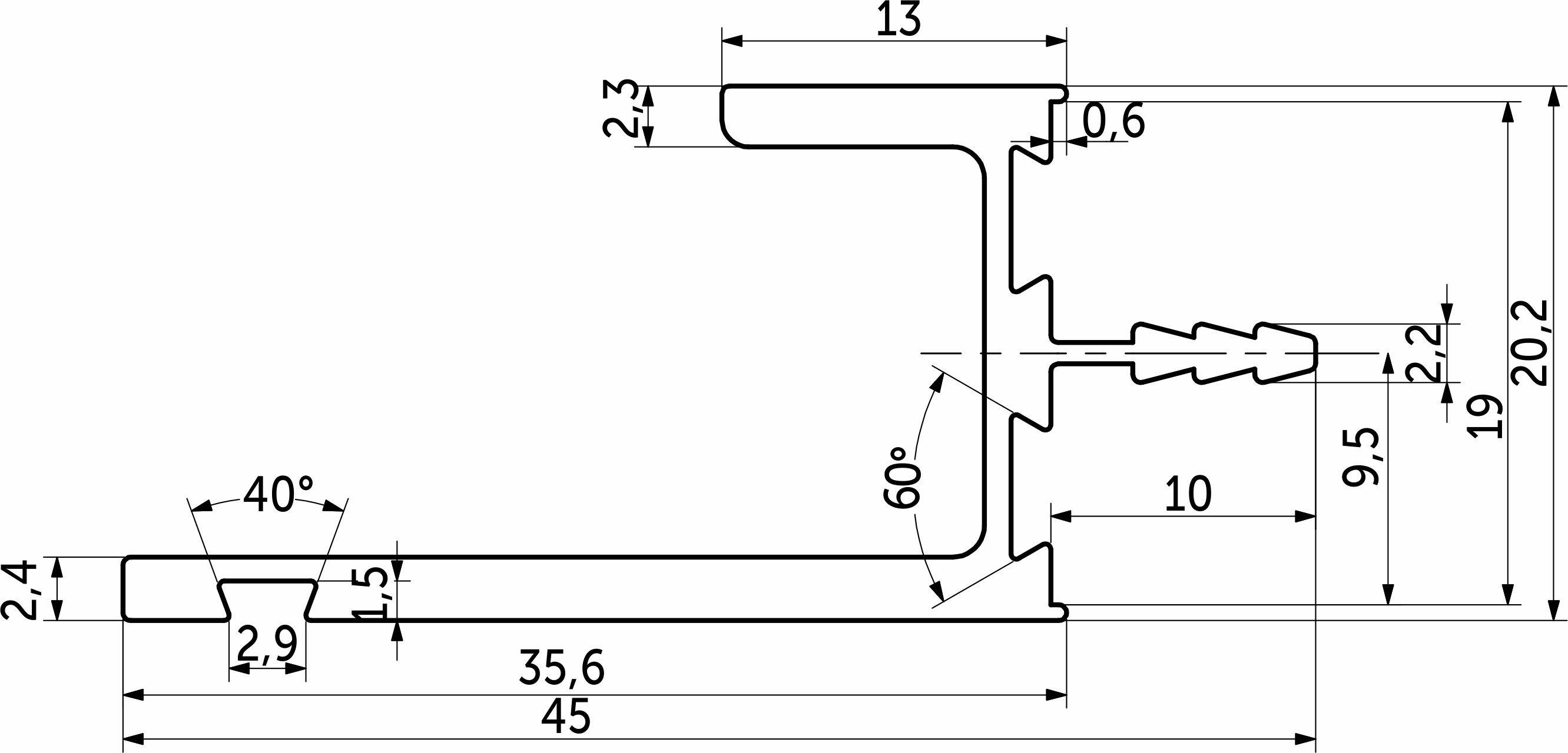
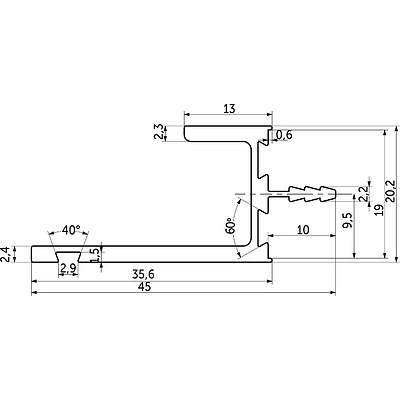
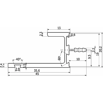
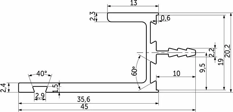
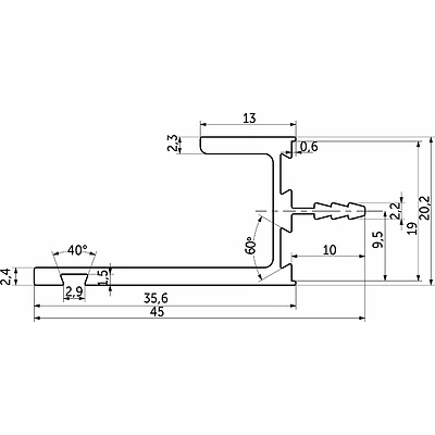
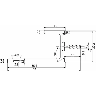
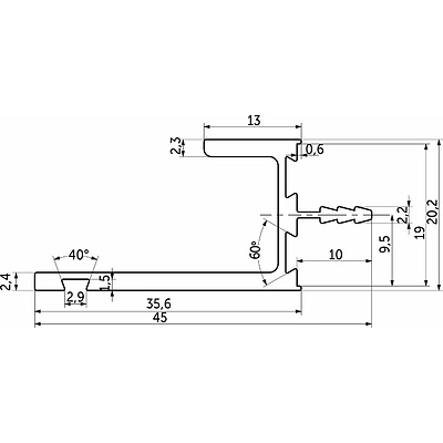
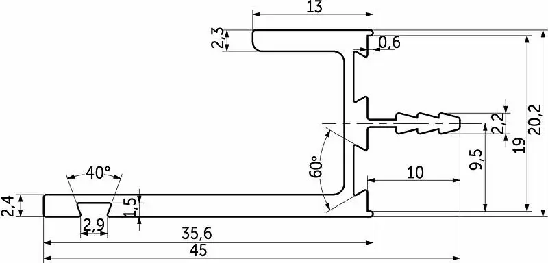
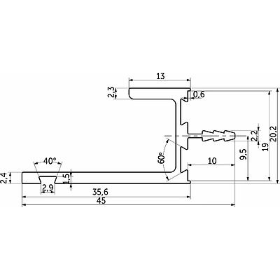
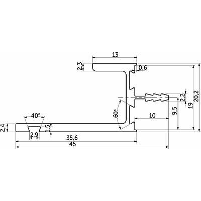
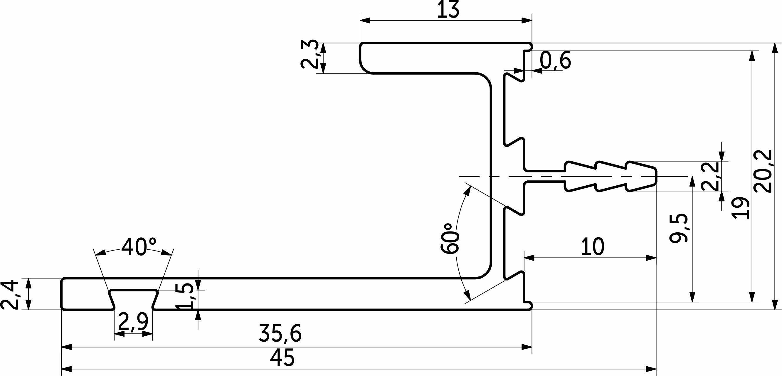
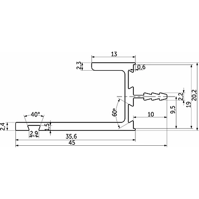
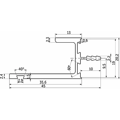
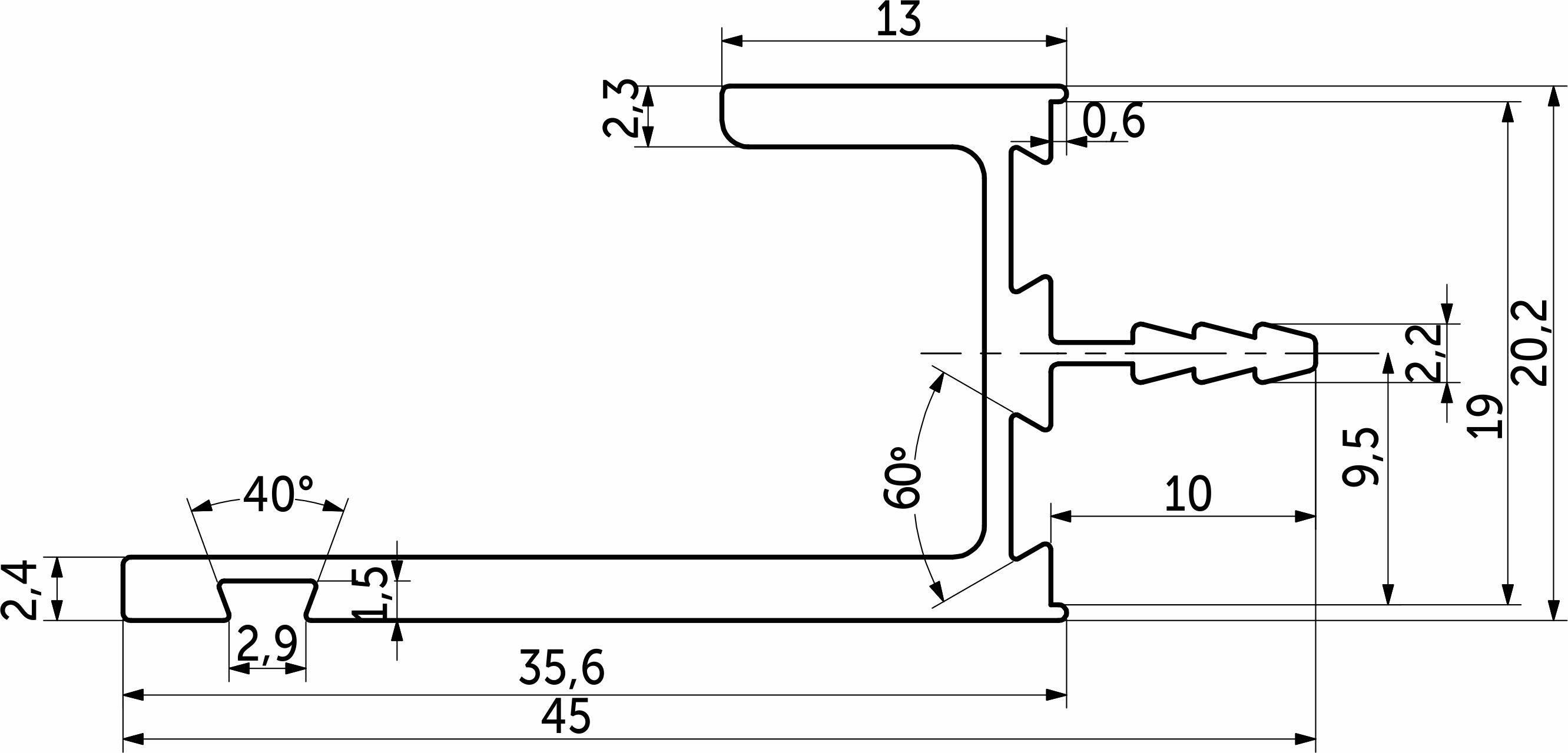
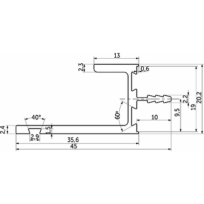
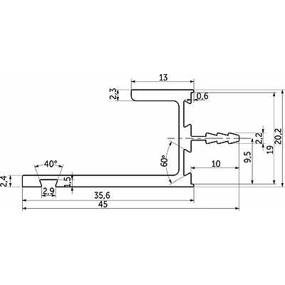
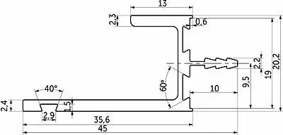
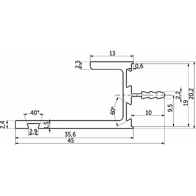
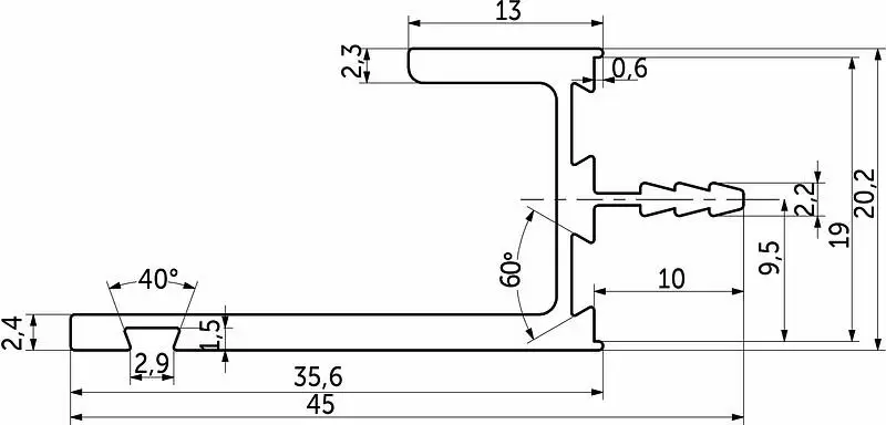
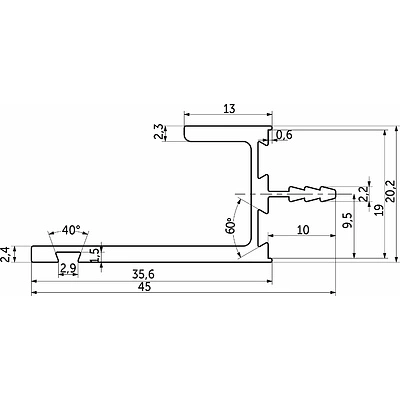
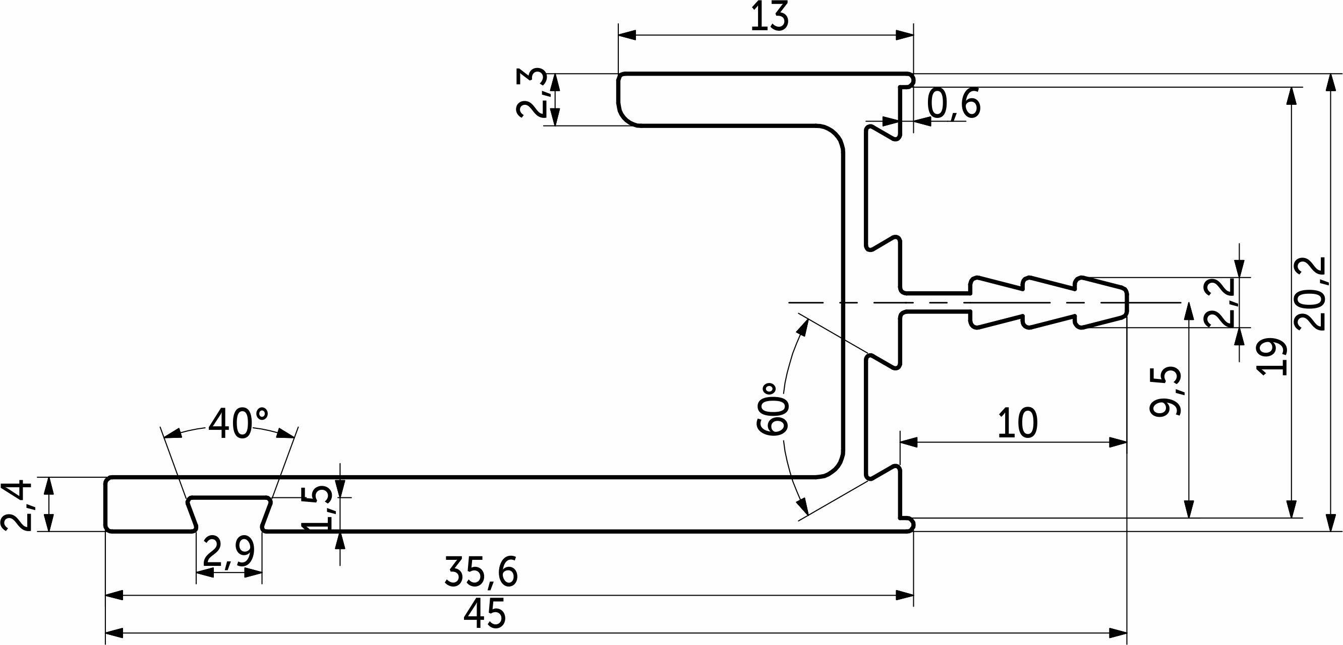
Алюминиевая ручка-профиль, врезная, L-образная, под толщину ДСП 18мм, общая длина 4м (полезная длина профиля 3,95м), цвет черный, анодировка.
Для открывания/закрывания мебельных фасадов и ящиков, являются декоративным элементом. Упаковка - защитная плёнка и проложка внутри упаковки между профилями, внешняя упаковка - крафт-бумага.
Комплект заглушек - арт 67699.