
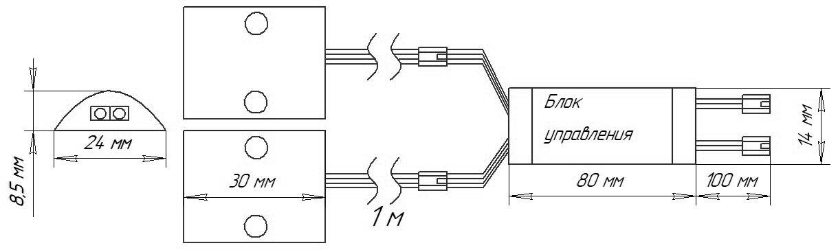
Датчик движения белый накладной двойной, по датчику на каждую дверку, срабатывает на преграду для шкафов, дистанция срабатывания до 70 мм, рабочее напряжение 12-24VDC, мощность 60W/100W, степень защиты IP20, способ установки накладной, размер 30х24х8,5 мм, длина провода до блока управления 1 м, длина проводов от блока управления до источника света и блока питания по 100 мм.
Для подключения к блокам питания Indoor и UltraSlim для подключения использовать:
78 713 - Шнур соединительный AKS (миниконнектор мама- провод), 15 см.
Для подключения к блокам питания Wall и Ultra доп. провода не требуются.
Для подключения светильника с миниконнектором "папа" доп провода не требуются.
Для подключения нескольких светильников с миниконнектором "папа" к выключателю использовать:
78 715 - Шнур соединительный AKS с разветвителем для мини коннекторов 6 точечный с миниконнектором, 15 см.
Для подключения к выключателю светодиодной ленты 8мм, можно использовать шнур:
74 793 - Шнур соединительный AKS для диодных лент шириной 8mm (миниконнектор - лента), 15 см
78 710 - Шнур соединительный AKS для диодных лент шириной 8mm (миниконнектор - лента), 1м
Для подключения нескольких лент с миниконнектором "папа" к выключателю использовать:
78 715 - Шнур соединительный AKS с разветвителем для мини коннекторов 6 точечный с миниконнектором, 15 см.
Выключатель реагирует на плавное ВКЛЮЧЕНИЕ/ВЫКЛЮЧЕНИЕ, резкое (многократное, за быстрый промежуток времени) ВКЮЧЕНИЕ/ВЫКЛЮЧЕНИЕ может привести к поломке выключателя.