
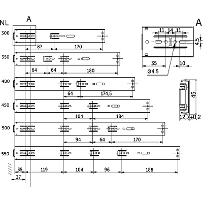
Системы выдвижения, объединившие в себе функции автоматического закрывания (soft closing) и открывания без использования лицевой фурнитуры (push to open). Нагрузка до 30 кг. Срок эксплуатации шариковых направляющих не менее 60 000 циклов. Лёгкий монтаж / демонтаж.
Возможность использовать при монтаже стандартных и внутренних ящиков. Полное выдвижение (кроме размера 300). Функция soft closing срабатывает после полного открытия ящика. Зазор необходимый для активации функции push to open всего 3,5 мм.