
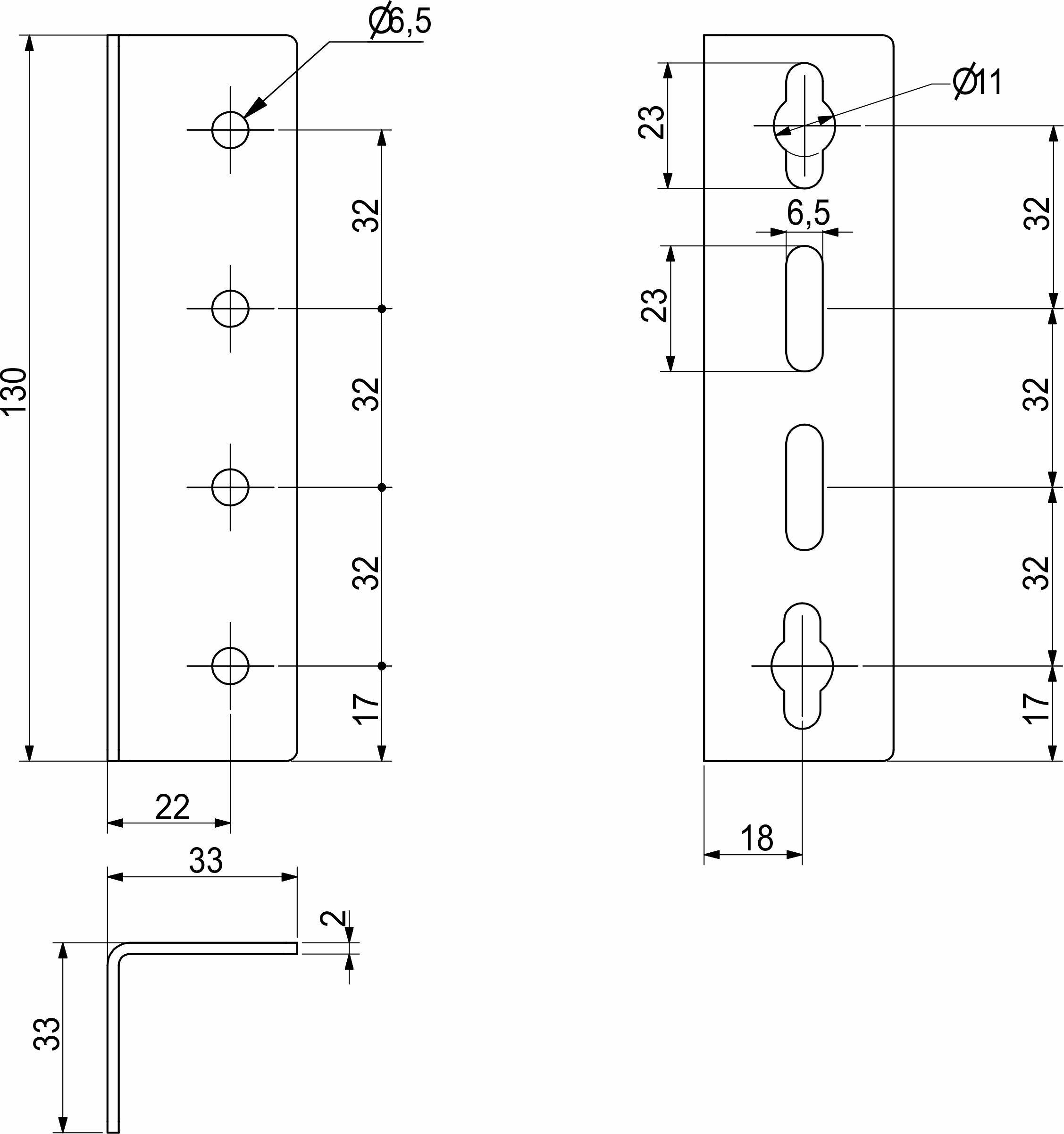
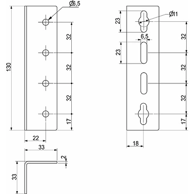
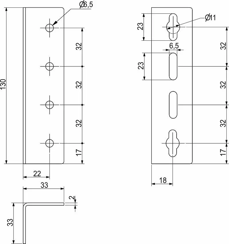
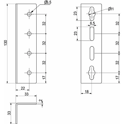
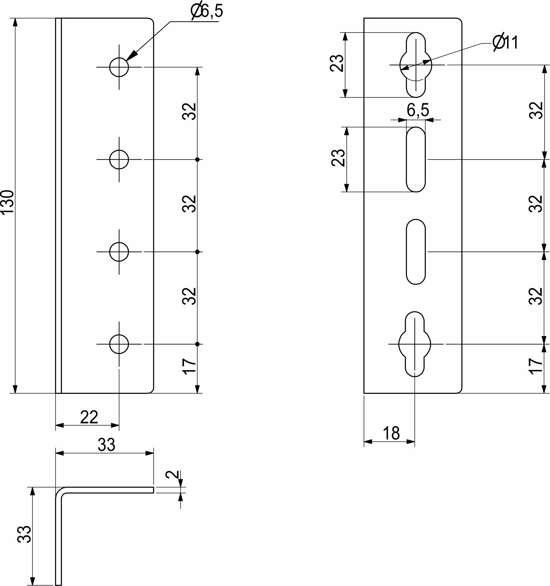
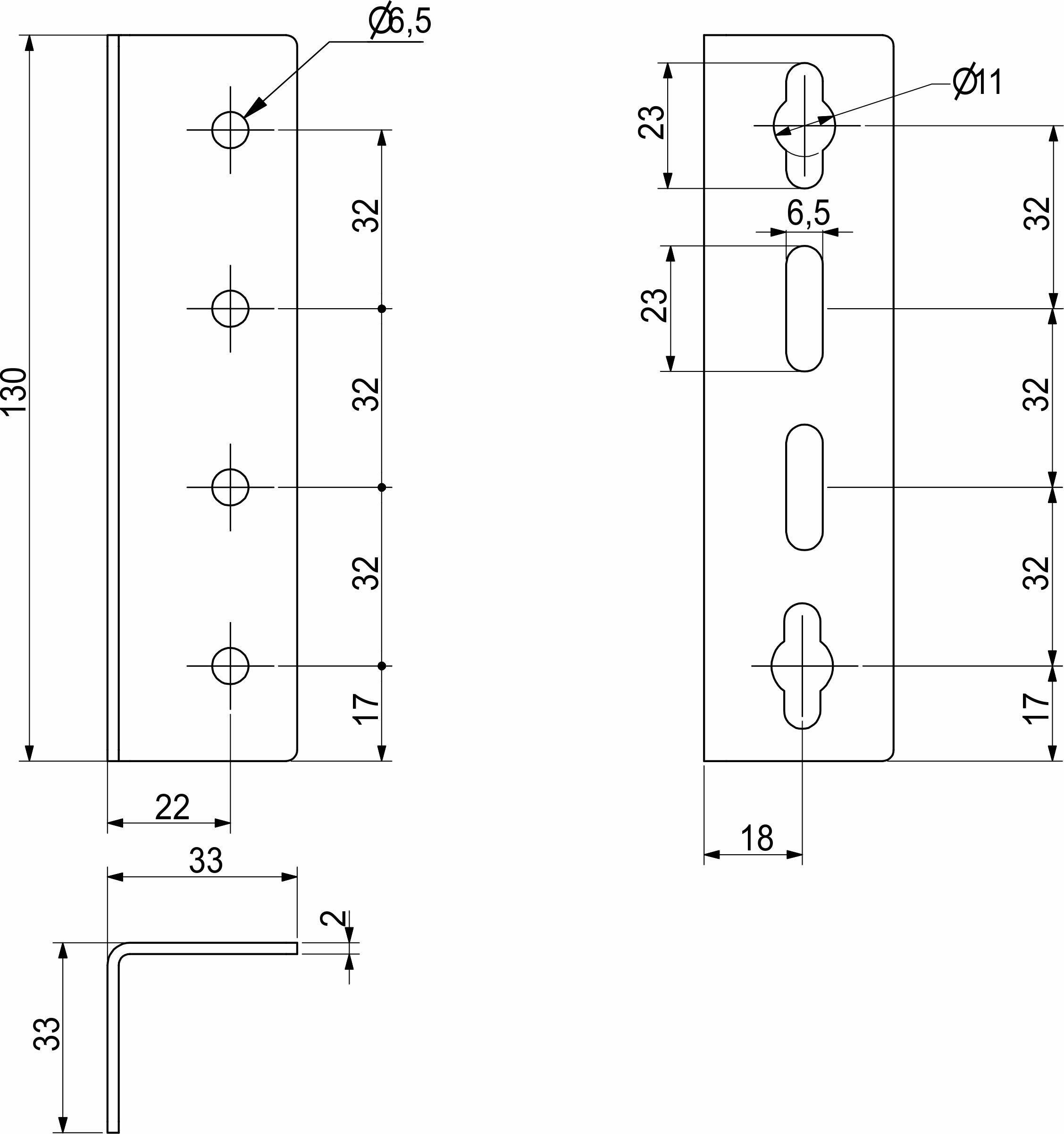
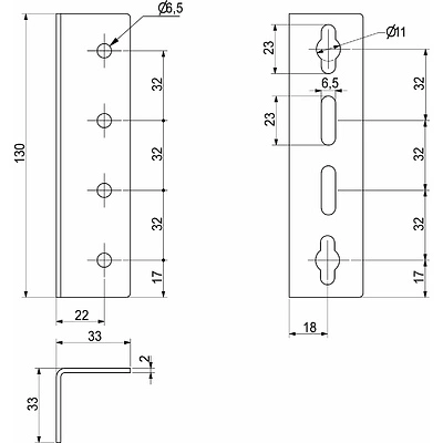
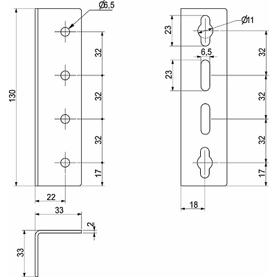
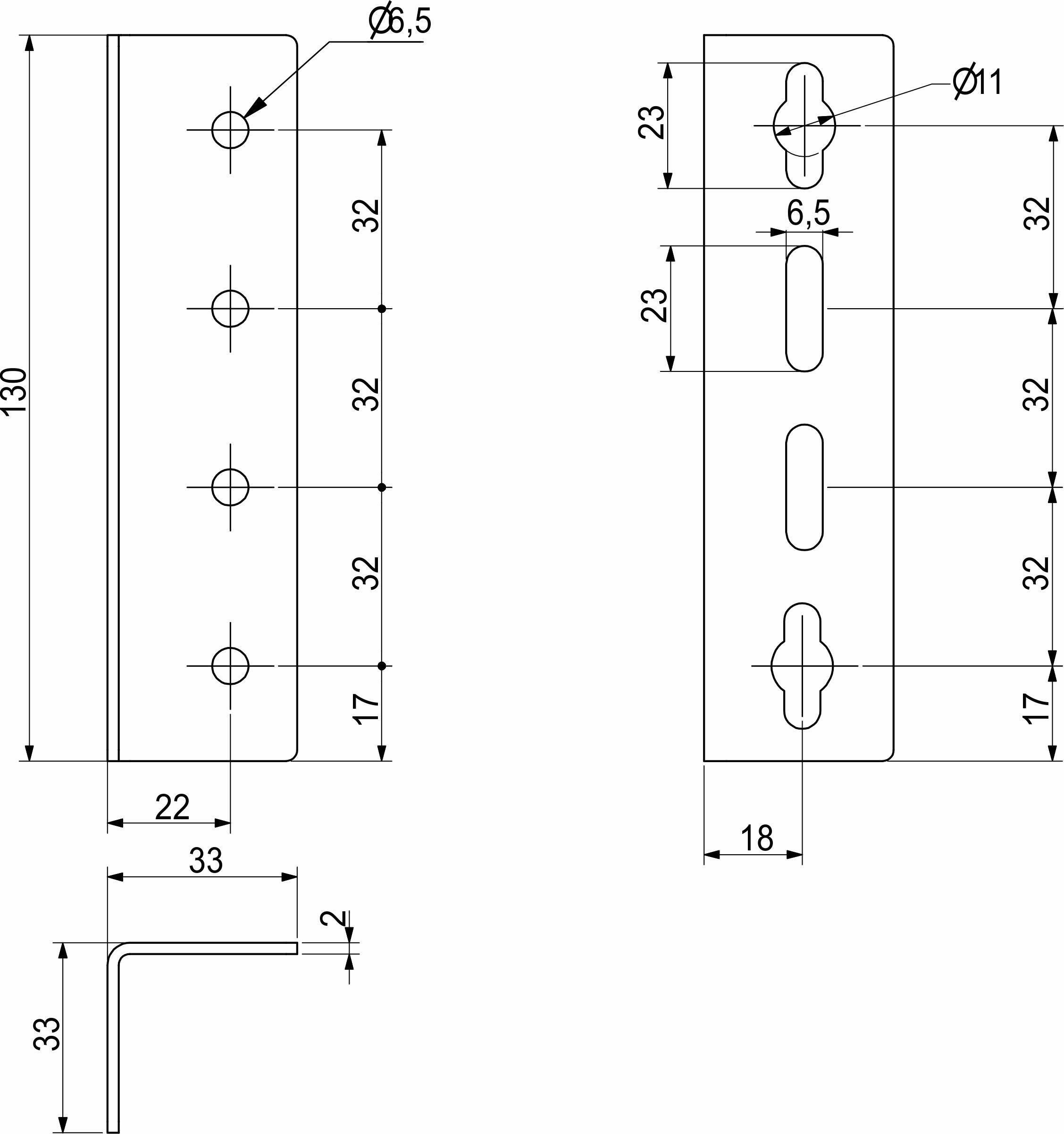
Уголок кроватный служит для крепления царг кровати (боковых планок) к изголовью и изножью кровати. Данная стяжка одноэлементная - одна полка крепится к кровати, а другая полка крепится к изголовью или изножью кровати. Данное соединение позволяет производить монтаж и демонтаж кровати без потери качества и надежности соединения.