
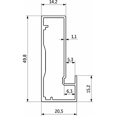
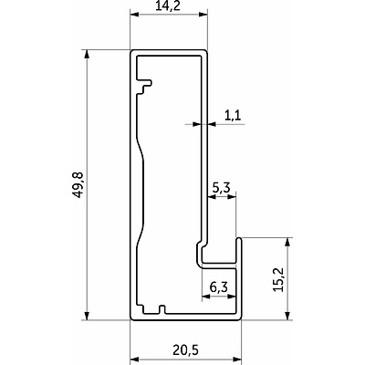
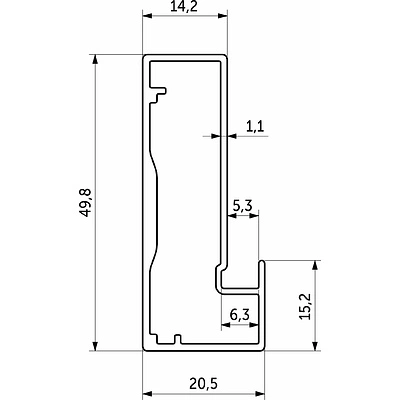
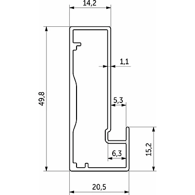
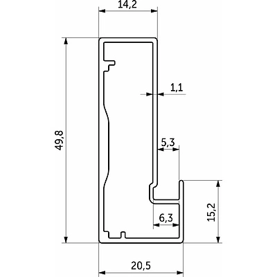
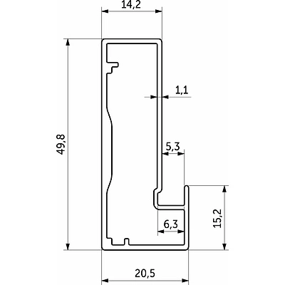
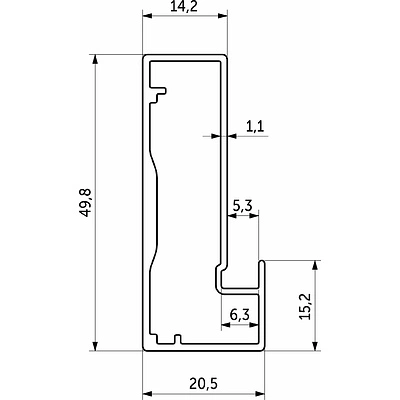
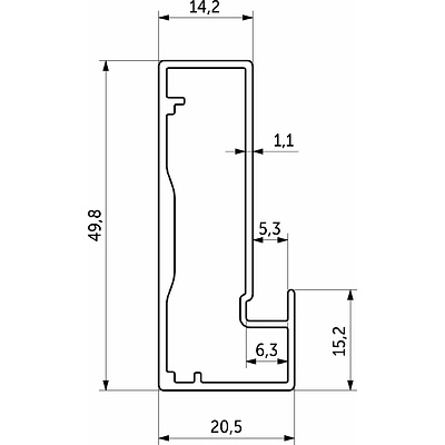
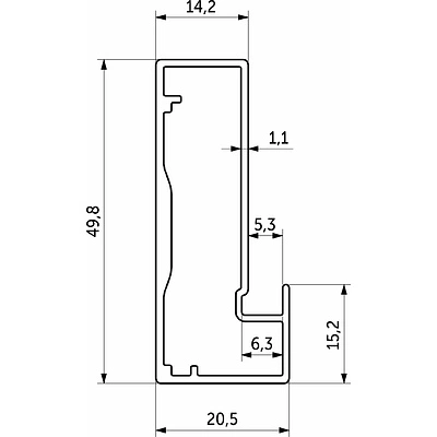
Профиль для рамочных фасадов рассчитан на использование различных материалов для его заполнения, это может быть стекло, зеркало, пластик и т.д. толщиной до 4 мм. Профиль обладает необходимой жесткостью, что позволяет изготавливать как маленькие, так и большие размеры без потери прочности.