
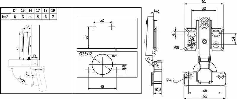
Петля накладная с доводчиком GRIDLI несъемная планка –мебельная петля с механизмом плавного закрывания фасада, с углом установки 90°. Имеет несъемную планку на 4 отверстия под саморез.
Изготовлена из холоднокатанной стали. Диаметр чашки петли составляет ∅35 мм. Глубина чашки 11,5 мм. Глубина сверления, необходимая для установки, 12 мм.
Регулировка по глубине - винтовая.
Петля предназначена для фасадов толщиной от 15 до 22 мм, имеет межцентровое расстояние между отверстиями в чашке в 48мм, а также высоту монтажной планки h0.
Данная петля является одноходовой, имеет угол открывания в 100°.
Вес петли 57±1гр.