
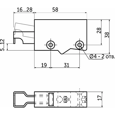
Навес кухонный универсальный регулируемый предназначен для установки верхних кухонных корпусов (используется с монтажной планкой). Имеет регулировку по высоте и глубине. Данный навес возможно подвешивать как на крюк, так и на шину.
Крепление - под саморез.
Материал: сталь + пластик.
Нагрузка на пару - 110 кг.