







Петля накладная с пружиной AKS с еврошурупами – классическая мебельная петля без доводчика, с углом установки 90°.
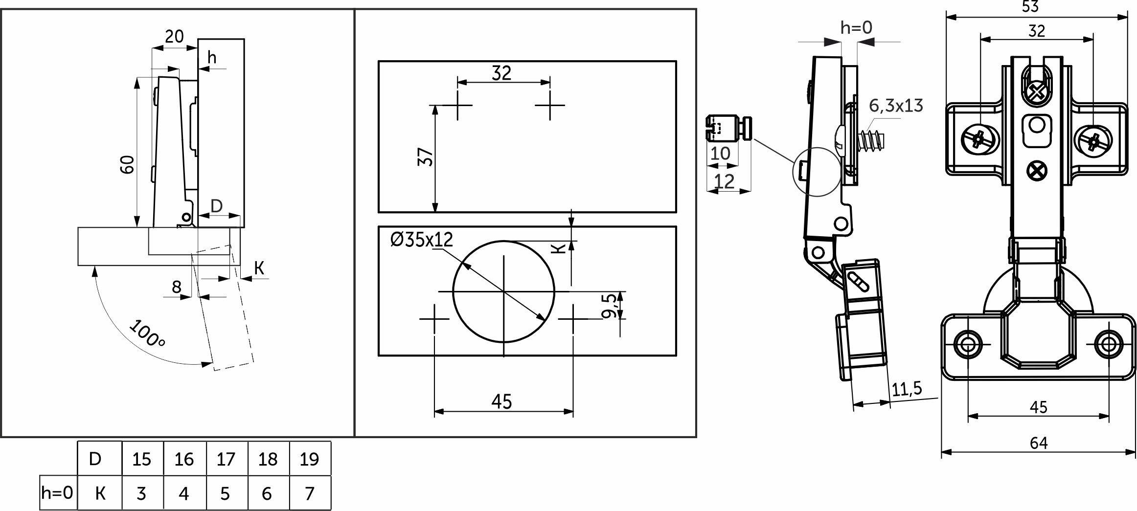
Изготовлена из холоднокатанной стали. Диаметр чашки петли составляет ∅35 мм. Глубина чашки 11,5 мм. Глубина сверления, необходимая для установки, 12 мм.
Для простоты монтажа и регулировки данная петля оснащена механизмом надвижного монтажа slide-on и регулировочным винтом с резьбой 10 мм. Регулировка по глубине -винтовая.
Петля предназначена для фасадов толщиной от 15 до 22 мм, имеет межцентровое расстояние между отверстиями в чашке в 45мм, а также высоту монтажной планки h0.
Петли данной линейки являются двухходовыми, с возможностью остановки фасада в полуоткрытом положении, имеют угол открывания в 100°.
Для монтажа планки в комплект входят предустановленные еврошурупы 6,3*13мм. Вес петли 55±1гр.
Прочность, долговечность и надежность в использовании подтверждается 40 000 циклами открывания и закрывания.